形番表示方法

シンボル

仕様
| 型式 | JAF1000-M5 | JAF2000-01 | JAF2000-02 | JAF3000-02 | JAF3000-03 | JAF4000-03 | JAF4000-04 | JAF4000-06 | JAF5000-06 | JAF5000-10 |
| 定格フロー | 110 | 750 | 750 | 1500 | 1500 | 4000 | 4000 | 6000 | 7000 | 7000 |
| 接続口径 | M5 | 1/8 | 1/4 | 1/4 | 3/8 | 3/8 | 1/2 | 3/4 | 3/4 | 1 |
| ろ過精度 | 25μm | |||||||||
| 最大調整圧力 | 1.0 MPa | |||||||||
| 保証耐圧力 | 1.5 MPa | |||||||||
| 周囲温度範囲 | 5〜60℃ | |||||||||
| コンテナ材料 | ポリ炭酸塩 | |||||||||
| コンテナカップ | 利用できません | 鉄 | ||||||||
| 排水機能 | 微分排水 | 差動排水、自動排水 | ||||||||
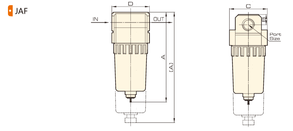
外形寸法図

寸法
| 型式 | 内径 | A | B | C | D |
| JAF1000 | M5 | 66 | 7 | 25 | - |
| JAF2000 | 1/8-1/4 | 96(118) | 11 | 40 | 40 |
| JAF3000 | 1/4-3/8 | 132.5 | 14 | 53 | 53 |
| JAF4000 | 3/8-1/2 | 168.5 | 18 | 70 | 70 |
| JAF4000-06 | 3/4 | 172.5 | 20 | 70 | 70 |
| JAF5000 | 3/4-1 | 247.5 | 24 | 90 | 90 |


