形番表示方法

シンボル
仕様
| 型式 | ST-01 | ST-02 | ST-03 | ST-04 | ST-06 | ST-08 |
| 流体 | 空気 | |||||
| 有効断面積 | G1/8 " | G1/4 " | G3/8 " | G1/2 " | G3/4 " | G1 " |
| 接続口径 | 7.5mm² | 21mm² | 40mm² | 60mm² | 110mm² | 190mm² |
| 作動圧力範囲 | 0〜1.0mpa | |||||
| 周囲温度 | -20〜70℃ | |||||
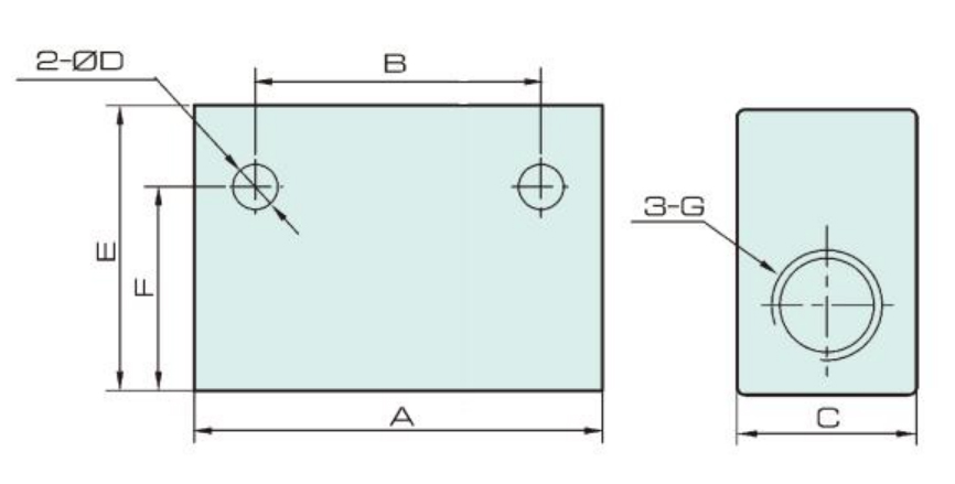
外形寸法図

寸法
|
型式/シンボル |
A |
B |
C |
D |
E |
F |
G |
|
ST-01 |
40 |
24 |
16 |
4.3 |
25 |
20.5 |
G1/8 " |
|
ST-02 |
50 |
35 |
22 |
5.5 |
35 |
25 |
G1/4 " |
|
ST-03 |
70 |
48 |
35 |
7 |
50 |
42 |
G3/8 " |
|
ST-04 |
70 |
48 |
35 |
7 |
50 |
42 |
G1/2 " |
|
ST-06 |
110 |
72 |
40 |
7 |
70 |
58 |
G3/4 " |
|
ST-08 |
110 |
72 |
40 |
7 |
70 |
58 |
G1 " |


