内部構造
部品
| 番号 | 名称 | 番号 | 名称 |
| 1 | ピストンロッド | 9 | oリング |
| 2 | ヘキサゴンナット | 10 | ピストンシール |
| 3 | シャフトシール | 11 | 抗摩擦アザラシ |
| 4 | ヘキサゴンナット | 12 | 磁石 |
| 5 | DUベアリング | 13 | ピストン |
| 6 | フロントカバー | 14 | ソケットヘッドキャップネジ |
| 7 | 衝突防止ガスケット | 15 | バックカバー |
| 8 | バレル |
形番表示方法

*センサー型式JEL-01、ストラップタイプ「SKB-BORE"、特定の形番表示方法についてはP173を参照してください。
仕様
|
内径(mm) |
08 |
10 |
12 |
16 |
20 |
25 |
32 |
40 |
|
作動方式 |
複動片ロッドまたは単動 |
|||||||
|
流体 |
空気 |
|||||||
|
マウント |
基本的なLB FA FB SDB |
|||||||
|
動作圧力 |
0.1 〜1.0mpa |
|||||||
|
証明圧力 |
1.5 MPa |
|||||||
|
使用温度範囲 |
-20〜80°C |
|||||||
|
動作速度範囲 |
50〜800mm/s |
|||||||
|
クッション |
ガスケットクッション |
|||||||
|
接続口径 |
M5x0.8 |
G1/8 " |
||||||
ストローク
| 内径 | 標準ストローク | 最大ストローク | |
| DN | 8 | 15 20 25 30 40 50 60 75 80 100 125 150 | 150 |
| 10 | 15 20 25 30 40 50 60 75 80 100 125 150 160 175 200 | 200 | |
| 12 | 15 20 25 30 40 50 60 75 80 100 125 150 160 175 200 250 | 250 | |
| DN/DSN | 16/20/25/32/40 | 15 20 25 30 40 50 60 75 80 100 125 150 160 175 200 250 275 300 | 500 |
| DND/DNJ | 8 | 15 20 25 30 40 50 60 75 80 100 | 100 |
| 10 | 15 20 25 30 40 50 60 75 80 100 | 100 | |
| 12 | 15 20 25 30 40 50 60 75 80 100 125 150 160 175 200 | 250 | |
| DND/DNJ DSND/DSNJ |
16/20/25 | 15 20 25 30 40 50 60 75 80 100 125 150 160 175 200 250 275 300 | 300 |
| 32/40 | 15 20 25 30 40 50 60 75 80 100 125 150 160 175 200 250 275 300 | 300 | |
| DS/DT | 08/10/12 | 15 20 25 30 40 50 | 50 |
| 16 | 15 20 25 30 40 50 60 75 80 100 | 100 | |
| 20/25/32/40 | 15 20 25 30 40 50 60 75 80 100 125 150 | 150 | |
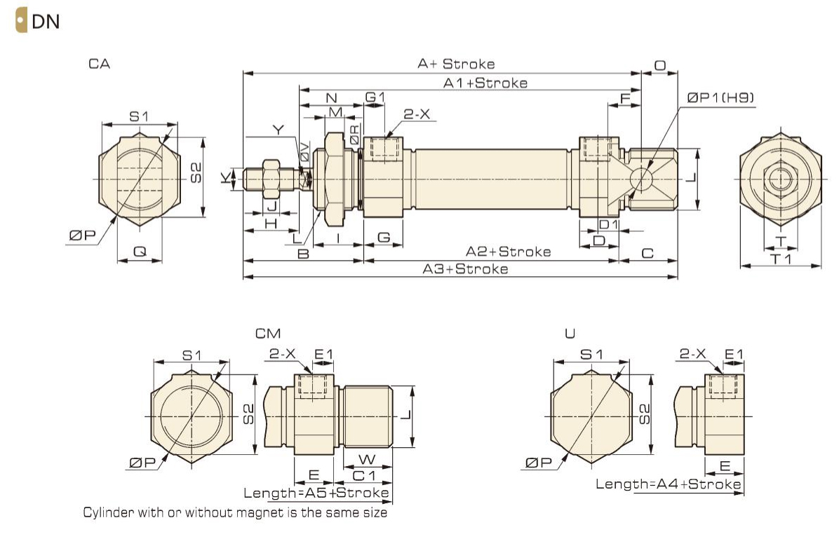
外形寸法図

寸法
| 内径\シンボル | a | a1 | a2 | a3 | A4 | A5 | b | c | c1 | d | d1 | e | e1 | f | g | g1 | h | 私 | ||||||||||
| 8 | 76 | 64 | 46 | 86 | 74 | 86 | 28 | 12 | 12 | 10 | 5.5 | 10 | 5.5 | 6 | 10 | 5.5 | 12 | 12 | ||||||||||
| 10 | 76 | 64 | 46 | 86 | 74 | 86 | 28 | 12 | 12 | 10 | 5.5 | 10 | 5.5 | 6 | 10 | 5.5 | 12 | 12 | ||||||||||
| 12 | 91 | 74 | 50 | 105 | 88 | 105 | 38 | 17 | 17 | 10 | 6 | 10 | 6 | 9 | 10 | 6 | 16 | 17 | ||||||||||
| 16 | 98 | 82 | 55 | 111 | 92 | 111 | 37 | 19 | 19 | 10.5 | 6 | 10.5 | 6 | 9 | 10.5 | 6 | 16 | 16 | ||||||||||
| 20 | 115 | 95 | 64 | 128 | 107 | 128 | 43 | 21 | 21 | 14 | 7.5 | 14 | 7.5 | 12 | 14 | 7.5 | 20 | 18 | ||||||||||
| 25 | 126 | 104 | 66 | 137 | 116 | 137 | 50 | 21 | 21 | 15 | 8 | 15 | 8 | 12 | 15 | 8 | 22 | 22 | ||||||||||
| 32 | 135 | 113 | 72 | 147 | 120 | 132 | 48 | 27 | 12 | 17 | 8.5 | 17 | 8.5 | 15 | 17 | 8.5 | 22 | 18 | ||||||||||
| 40 | 138 | 115 | 72 | 150 | 123 | 136 | 51 | 27 | 14 | 16 | 8 | 16 | 8 | 15 | 16 | 8 | 23 | 20 | ||||||||||
| 内径\シンボル | j | k | l | m | n | o | p | p1 | Q | r | S1 | S2 | t | t1 | x | v | w | y | ||||||||||
| 8 | 6 | m4×0.7 | m12×1.25 | 6 | 16 | 10 | 17 | 4 | 8 | 12 | 15 | 15 | 7 | 17 | m5×0.8 | 4 | 9.3 | - | ||||||||||
| 10 | 6 | M4×0.7 | M12×1.25 | 6 | 16 | 10 | 17 | 4 | 8 | 12 | 15 | 15 | 7 | 17 | M5×0.8 | 4 | 9.3 | - | ||||||||||
| 12 | 5 | M6×1 | M16×1.5 | 6 | 22 | 14 | 21 | 6 | 12 | 16 | 19 | 19 | 10 | 24 | M5×0.8 | 6 | 14 | 5 | ||||||||||
| 16 | 5 | M6×1 | M16×1.5 | 6 | 21 | 13 | 21 | 6 | 12 | 16 | 19 | 19 | 10 | 24 | M5×0.8 | 6 | 15.5 | 5 | ||||||||||
| 20 | 6 | M8×1.25 | M22×1.5 | 7 | 23 | 13 | 30 | 8 | 16 | 22 | 27 | 28.5 | 14 | 29 | g1/8 | 8 | 17.5 | 6 | ||||||||||
| 25 | 6 | M10×1.25 | M22×1.5 | 7 | 28 | 11 | 30 | 8 | 16 | 22 | 27 | 28.5 | 17 | 29 | g1/8 | 10 | 17.5 | 8 | ||||||||||
| 32 | 6 | M10×1.25 | M27×2 | 9 | 26 | 12 | 38 | 10 | 20 | 27 | 35 | 36.5 | 17 | 36 | G1/8 | 12 | 8 | 10 | ||||||||||
| 40 | 8 | M14×1.5 | M33×2 | 9 | 28 | 12 | 45 | 10 | 20 | 33 | 42 | 43.5 | 22 | 45 | G1/4 | 16 | 10 | 14 | ||||||||||
外形寸法図
寸法
|
シンボル |
A |
A1 |
A2 |
A3 |
A4 |
A5 |
||||||||||||
|
内径/ストローク |
0-50 |
50-100 |
100-150 |
0-50 |
50-100 |
100-150 |
0-50 |
50-100 |
100-150 |
0-50 |
50-100 |
100-150 |
0-50 |
50-100 |
100-150 |
0-50 |
50-100 |
100-150 |
|
8 |
101 |
- |
- |
89 |
- |
- |
71 |
- |
- |
111 |
- |
- |
99 |
- |
- |
111 |
- |
- |
|
10 |
101 |
- |
- |
89 |
- |
- |
71 |
- |
- |
111 |
- |
- |
99 |
- |
- |
111 |
- |
- |
|
12 |
116 |
- |
- |
99 |
- |
- |
75 |
- |
- |
130 |
- |
- |
113 |
- |
- |
130 |
- |
- |
|
16 |
123 |
148 |
- |
107 |
132 |
- |
80 |
105 |
- |
136 |
161 |
- |
117 |
142 |
- |
136 |
161 |
- |
|
20 |
140 |
165 |
190 |
120 |
145 |
170 |
89 |
114 |
139 |
153 |
178 |
203 |
132 |
157 |
182 |
153 |
178 |
203 |
|
25 |
151 |
176 |
201 |
129 |
154 |
179 |
91 |
116 |
141 |
162 |
187 |
212 |
141 |
166 |
191 |
162 |
187 |
212 |
|
32 |
160 |
185 |
210 |
138 |
163 |
188 |
97 |
122 |
147 |
172 |
197 |
222 |
145 |
170 |
195 |
157 |
182 |
207 |
|
40 |
163 |
188 |
213 |
140 |
165 |
190 |
97 |
122 |
147 |
175 |
200 |
225 |
148 |
173 |
198 |
161 |
186 |
211 |
|
内径/シンボル |
b |
c |
c1 |
d |
d1 |
e |
E1 |
f |
G |
G1 |
h |
私 |
j |
k |
l |
|
8 |
28 |
12 |
12 |
10 |
5.5 |
10 |
5.5 |
6 |
10 |
5.5 |
12 |
12 |
6 |
M4x0.7 |
M12x1.25 |
|
10 |
28 |
12 |
12 |
10 |
5.5 |
10 |
5.5 |
6 |
10 |
5.5 |
12 |
12 |
6 |
M4x0.7 |
M12x1.25 |
|
12 |
38 |
17 |
17 |
10 |
6 |
10 |
6 |
9 |
10 |
6 |
16 |
17 |
5 |
M6xl |
M16x1.5 |
|
16 |
37 |
19 |
19 |
10.5 |
6 |
10.5 |
6 |
9 |
10.5 |
6 |
16 |
16 |
5 |
M6xl |
M16x1.5 |
|
20 |
43 |
21 |
21 |
14 |
7.5 |
14 |
7.5 |
9 |
14 |
7.5 |
20 |
18 |
6 |
M8x1.25 |
M22x1.5 |
|
25 |
50 |
21 |
21 |
15 |
8 |
15 |
8 |
12 |
15 |
8 |
22 |
22 |
6 |
M10x1.25 |
M22x1.5 |
|
32 |
48 |
27 |
12 |
17 |
8.5 |
17 |
8.5 |
15 |
17 |
8.5 |
22 |
18 |
6 |
M10x1.25 |
M27x2 |
|
40 |
51 |
27 |
14 |
16 |
8 |
16 |
8 |
15 |
16 |
8 |
23 |
20 |
8 |
M14x1.5 |
M33x2 |
|
内径/シンボル |
M |
n |
o |
p |
P1 |
Q |
r |
S1 |
S2 |
t |
t1 |
x |
v |
w |
y |
|
8 |
6 |
16 |
10 |
17 |
4 |
8 |
12 |
15 |
15 |
7 |
17 |
M5x0.8 |
4 |
9.3 |
|
|
10 |
6 |
16 |
10 |
17 |
4 |
8 |
12 |
15 |
15 |
7 |
17 |
M5x0.8 |
4 |
9.3 |
- |
|
12 |
6 |
22 |
14 |
21 |
6 |
12 |
16 |
19 |
19 |
10 |
24 |
M5x0.8 |
6 |
14 |
5 |
|
16 |
6 |
21 |
13 |
21 |
6 |
12 |
16 |
19 |
19 |
10 |
24 |
M5x0.8 |
6 |
15.5 |
5 |
|
20 |
7 |
23 |
13 |
30 |
8 |
16 |
22 |
27 |
28.5 |
14 |
29 |
G1/8 |
8 |
17.5 |
6 |
|
25 |
7 |
28 |
11 |
30 |
8 |
16 |
22 |
27 |
28.5 |
17 |
29 |
G1/8 |
10 |
17.5 |
8 |
|
32 |
9 |
26 |
12 |
38 |
10 |
20 |
27 |
35 |
36.5 |
17 |
36 |
G1/8 |
12 |
8 |
10 |
|
40 |
9 |
28 |
12 |
45 |
10 |
20 |
33 |
42 |
43.5 |
22 |
45 |
G1/4 |
16 |
10 |
14 |
外形寸法図
寸法
|
シンボル |
A |
A11 |
A2 |
A3 |
A4 |
A5 |
||||||||||||
|
内径/ストローク |
0-50 |
50-100 |
100-150 |
0-50 |
50-100 |
100-150 |
0-50 |
50-100 |
100-150 |
0-50 |
50-100 |
100-150 |
0-50 |
50-100 |
100-150 |
0-50 |
50-100 |
100-150 |
|
8 |
101 |
- |
- |
89 |
- |
- |
71 |
- |
- |
111 |
- |
- |
99 |
- |
- |
111 |
- |
- |
|
10 |
101 |
- |
- |
89 |
- |
- |
71 |
- |
- |
111 |
- |
- |
99 |
- |
- |
111 |
- |
- |
|
12 |
116 |
- |
- |
99 |
- |
- |
75 |
- |
- |
130 |
- |
- |
113 |
- |
- |
130 |
- |
- |
|
16 |
123 |
148 |
- |
107 |
132 |
- |
80 |
105 |
- |
136 |
161 |
- |
117 |
142 |
- |
136 |
161 |
- |
|
20 |
140 |
165 |
190 |
120 |
145 |
170 |
89 |
114 |
139 |
153 |
178 |
203 |
132 |
157 |
182 |
153 |
178 |
203 |
|
25 |
151 |
176 |
201 |
129 |
154 |
179 |
91 |
116 |
141 |
162 |
187 |
212 |
141 |
166 |
191 |
162 |
187 |
212 |
|
32 |
160 |
185 |
210 |
138 |
163 |
188 |
97 |
122 |
147 |
172 |
197 |
222 |
145 |
170 |
195 |
157 |
182 |
207 |
|
40 |
163 |
188 |
213 |
140 |
165 |
190 |
97 |
122 |
147 |
175 |
200 |
225 |
148 |
173 |
198 |
161 |
186 |
211 |
|
内径/シンボル |
b |
C |
C1 |
D |
D1 |
E |
E1 |
f |
G |
G1 |
h |
私 |
j |
k |
L |
|
8 |
28 |
12 |
12 |
10 |
5.5 |
10 |
5.5 |
6 |
10 |
5.5 |
12 |
12 |
6 |
M4x0.7 |
M12x1.25 |
|
10 |
28 |
12 |
12 |
10 |
5.5 |
10 |
5.5 |
6 |
10 |
5.5 |
12 |
12 |
6 |
M4x0.7 |
M12x1.25 |
|
12 |
38 |
17 |
17 |
10 |
6 |
10 |
6 |
9 |
10 |
6 |
16 |
17 |
5 |
M6x1 |
M16x1.5 |
|
16 |
37 |
19 |
19 |
10.5 |
6 |
10.5 |
6 |
9 |
10.5 |
6 |
16 |
16 |
5 |
M6x1 |
M16x1.5 |
|
20 |
43 |
21 |
21 |
14 |
7.5 |
14 |
7.5 |
9 |
14 |
7.5 |
20 |
18 |
6 |
M8x125 |
M22x1.5 |
|
25 |
50 |
21 |
21 |
15 |
8 |
15 |
8 |
12 |
15 |
8 |
22 |
22 |
6 |
M10x1.25 |
M22x1.5 |
|
32 |
48 |
27 |
12 |
17 |
8.5 |
17 |
8.5 |
15 |
17 |
8.5 |
22 |
18 |
6 |
M10x1.25 |
M27x2 |
|
40 |
51 |
27 |
14 |
16 |
8 |
16 |
8 |
15 |
16 |
8 |
23 |
20 |
8 |
M14x1.5 |
M33x2 |
|
内径/シンボル |
M |
n |
o |
P |
P1 |
Q |
r |
S1 |
S2 |
T |
T1 |
X |
v |
w |
y |
|
8 |
6 |
16 |
10 |
17 |
4 |
8 |
12 |
15 |
15 |
7 |
17 |
M5x0.8 |
4 |
9.3 |
|
|
10 |
6 |
16 |
10 |
17 |
4 |
8 |
12 |
15 |
15 |
7 |
17 |
M5x0.8 |
4 |
9.3 |
- |
|
12 |
6 |
22 |
14 |
21 |
6 |
12 |
16 |
19 |
19 |
10 |
24 |
M5x0.8 |
6 |
14 |
5 |
|
16 |
6 |
21 |
13 |
21 |
6 |
12 |
16 |
19 |
19 |
10 |
24 |
M5x0.8 |
6 |
15.5 |
5 |
|
20 |
7 |
23 |
13 |
30 |
8 |
16 |
22 |
27 |
28.5 |
14 |
29 |
GL/8 |
8 |
17.5 |
6 |
|
25 |
7 |
28 |
11 |
30 |
8 |
16 |
22 |
27 |
28.5 |
17 |
29 |
GL/8 |
10 |
17.5 |
8 |
|
32 |
9 |
26 |
12 |
38 |
10 |
20 |
27 |
35 |
36.5 |
17 |
36 |
GL/8 |
12 |
8 |
10 |
|
40 |
9 |
28 |
12 |
45 |
10 |
20 |
33 |
42 |
43.5 |
22 |
45 |
GL/4 |
16 |
10 |
14 |
外形寸法図
寸法
|
内径\シンボル |
A |
A1 |
A2 |
b |
B1 |
C |
D |
G |
G1 |
h |
私 |
j |
k |
L |
M |
T |
T1 |
v |
X |
|
8 |
102 |
46 |
100.5 |
16 |
14.5 |
9.3 |
- |
10 |
5.5 |
12 |
12 |
6 |
M4x0.7 |
M12x1.25 |
6 |
7 |
17 |
4 |
M5x0.8 |
|
10 |
102 |
46 |
100.5 |
16 |
14.5 |
9.3 |
- |
10 |
5.5 |
12 |
12 |
6 |
M4x0.7 |
M12x1.25 |
6 |
7 |
17 |
4 |
M5x0.8 |
|
12 |
126 |
50 |
126 |
21 |
21 |
14 |
5 |
10 |
6 |
16 |
17 |
5 |
M6x1 |
M16x1.5 |
6 |
10 |
24 |
6 |
M5x0.8 |
|
16 |
129 |
55 |
129 |
21 |
21 |
13 |
5 |
10.5 |
6 |
16 |
16 |
5 |
M6x1 |
M16x1.5 |
6 |
10 |
24 |
6 |
M5x0.8 |
|
20 |
150 |
64 |
150 |
27 |
25 |
14.5 |
6 |
14 |
7.5 |
20 |
18 |
6 |
M8x1.25 |
M22x1.5 |
7 |
14 |
29 |
8 |
G1/8 |
|
25 |
166 |
66 |
165 |
28 |
27 |
18.5 |
8 |
15 |
8 |
22 |
22 |
6 |
M10x1.25 |
M22x1.5 |
7 |
17 |
29 |
10 |
G1/8 |
|
32 |
168 |
72 |
165 |
30 |
27 |
14 |
10 |
17 |
8.5 |
22 |
18 |
6 |
M10x1.25 |
M27x2 |
9 |
17 |
36 |
12 |
G1/8 |
|
40 |
174 |
72 |
172 |
31 |
29 |
16 |
14 |
16 |
8 |
23 |
20 |
8 |
M14x1.5 |
M33x2 |
9 |
22 |
45 |
16 |
G11/4 |