特徴:
1.ピストンロッドの正確な研磨、製品の品質、フロントシールの長寿命を使用して、幅広いアプリケーションを適応させるための改善。
2.最適な生産効率を設計および改善します。
3.エンタープライズカラープランニングと新しい構造設計と組み合わせて、半円形の溝けいれんとして統合されたステンレス鋼シリーズシリンダー。
4.シリンダークッション構造の処理技術を変更して、安定化におけるバッファリング機能を確保します。
5.バッファリングの範囲を改善し、顧客がバッファーのスロットリング速度をより簡単に調整できるようにします。
内部構造
部品
| 番号 | 名称 | 番号 | 名称 |
| 1 | ピストンロッド | 9 | バレル |
| 2 | ヘキサゴンナット | 10 | ピストン |
| 3 | シャフトシール | 11 | ピストンシール |
| 4 | ヘキサゴンナット | 12 | 抗摩擦アザラシ |
| 5 | DUベアリング | 13 | 磁石 |
| 6 | フロントカバー | 14 | ソケットヘッドキャップネジ |
| 7 | 衝突防止ガスケット | 15 | クッション |
| 8 | クッション | 16 | バックカバー |
形番表示方法

*センサー型式JEL-01、ストラップタイプ「SKB-BORE"、特定の順序付けコードについてはP173を参照してください。
仕様
|
内径(mm) |
16 |
20 |
25 |
32 |
40 |
|
作動方式 |
複動片ロッド |
||||
|
流体 |
空気 |
||||
|
マウント |
基本的なLB FA FB SDB |
||||
|
動作圧力範囲 |
0.1 〜1.0mpa |
||||
|
証明圧力 |
1.5 MPa |
||||
|
使用温度範囲 |
-20〜80℃ |
||||
|
動作速度範囲 |
50-800mm/s |
||||
|
クッション |
調整可能なエアクッション |
||||
|
接続口径 |
M5x0.8 |
G1/8 " |
|||
ストローク
| 内径 | 標準ストローク | 最大ストローク | |
| DSN | 16/20/25/32/40 | 15 20 25 30 40 50 60 75 80 100 125 150 160 175 200 250 275 300 | 500 |
| DSND/DSNJ | 16/20/25 | 15 20 25 30 40 50 60 75 80 100 125 150 160 175 200 250 275 300 | 300 |
| 32/40 | 15 20 25 30 40 50 60 75 80 100 125 150 160 175 200 250 275 300 | 300 | |
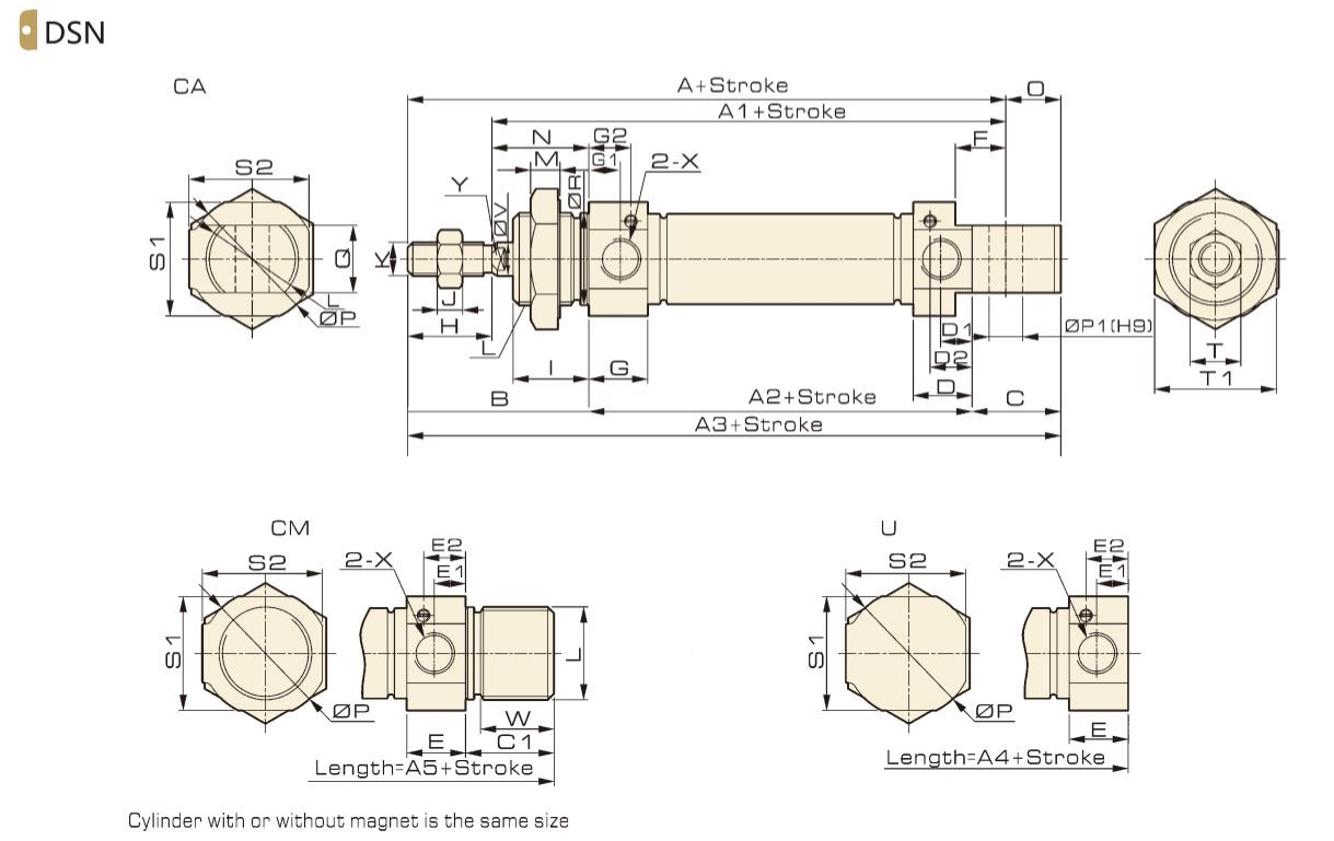
外形寸法図

寸法
|
内径\シンボル |
A |
A1 |
A2 |
A3 |
A4 |
A5 |
B |
C |
C1 |
D |
D1 |
D2 |
E |
E1 |
E2 |
F |
G |
G1 |
G2 |
H |
I |
|
16 |
98 |
82 |
55 |
111 |
92 |
111 |
37 |
19 |
19 |
10.5 |
6 |
7 |
10.5 |
6 |
7 |
9 |
10.5 |
6 |
7 |
16 |
16 |
|
20 |
115 |
95 |
64 |
128 |
107 |
128 |
43 |
21 |
21 |
14 |
7.5 |
10 |
14 |
7.5 |
10 |
9 |
14 |
7.5 |
10 |
20 |
18 |
|
25 |
126 |
104 |
66 |
137 |
116 |
137 |
50 |
21 |
21 |
15 |
8 |
10.5 |
15 |
8 |
10.5 |
12 |
15 |
8 |
10.5 |
22 |
22 |
|
32 |
135 |
113 |
72 |
147 |
120 |
132 |
48 |
27 |
12 |
17 |
8.5 |
12 |
17 |
8.5 |
12 |
15 |
17 |
8.5 |
12 |
22 |
18 |
|
40 |
138 |
115 |
72 |
150 |
123 |
136 |
51 |
27 |
14 |
16 |
8 |
11.5 |
16 |
8 |
11.5 |
15 |
16 |
8 |
11.5 |
23 |
20 |
|
内径\シンボル |
J |
K |
L |
M |
N |
O |
P |
P1 |
Q |
R |
S1 |
S2 |
T |
T1 |
X |
V |
W |
Y |
|
16 |
5 |
M6x1 |
M16x1.5 |
6 |
21 |
13 |
21 |
6 |
12 |
16 |
19 |
19 |
10 |
24 |
M5x0.8 |
6 |
15.5 |
5 |
|
20 |
6 |
M8x1.25 |
M22x1.5 |
7 |
23 |
13 |
30 |
8 |
16 |
22 |
27 |
28.5 |
14 |
29 |
G1/8 |
8 |
17.5 |
6 |
|
25 |
6 |
M10x1.25 |
M22x1.5 |
7 |
28 |
11 |
30 |
8 |
16 |
22 |
27 |
28.5 |
17 |
29 |
G1/8 |
10 |
17.5 |
8 |
|
32 |
6 |
M10x1.25 |
M27x2 |
9 |
26 |
12 |
38 |
10 |
20 |
27 |
35 |
36.5 |
17 |
36 |
G1/8 |
12 |
8 |
10 |
|
40 |
8 |
M14x1.5 |
M33x2 |
9 |
28 |
12 |
45 |
10 |
20 |
33 |
42 |
43.5 |
22 |
45 |
G1/4 |
16 |
10 |
14 |
外形寸法図

寸法
|
内径\シンボル |
A |
A1 |
A2 |
B |
B1 |
C |
D |
G |
G1 |
G2 |
H |
I |
J |
K |
L |
M |
T |
T1 |
V |
X |
|
16 |
129 |
55 |
129 |
21 |
21 |
13 |
5 |
10.5 |
6 |
7 |
16 |
16 |
5 |
M6x1 |
M16x1.5 |
6 |
10 |
24 |
6 |
M5x0.8 |
|
20 |
150 |
64 |
150 |
27 |
25 |
14.5 |
6 |
14 |
7.5 |
10 |
20 |
18 |
6 |
M8x1.25 |
M22x1.5 |
7 |
14 |
29 |
8 |
G1/8 |
|
25 |
166 |
66 |
165 |
28 |
27 |
18.5 |
8 |
15 |
8 |
10.5 |
22 |
22 |
6 |
M10x1.25 |
M22x1.5 |
7 |
17 |
29 |
10 |
G1/8 |
|
32 |
168 |
72 |
165 |
30 |
27 |
14 |
10 |
17 |
8.5 |
12 |
22 |
18 |
6 |
M10x1.25 |
M27x2 |
9 |
17 |
36 |
12 |
G1/8 |
|
40 |
174 |
72 |
172 |
31 |
29 |
16 |
14 |
16 |
8 |
11.5 |
23 |
20 |
8 |
M14x1.5 |
M33x2 |
9 |
22 |
45 |
16 |
G1/4 |
外形寸法図

寸法
|
シンボル |
B | C (DN、DSN シリーズ) |
C(DS/DT シリーズ) | BB | BC | BD | BE | BF | BP | F | ||
| 内径ストローク | 0-50 | 50-100 | 100-150 | |||||||||
| 8 | 28 | 46 | 71 | - | - | 3 | 22 | - | 40 | 30 | 4.5 | 12 |
| 10 | 28 | 46 | 71 | - | - | 3 | 22 | - | 40 | 30 | 4.5 | 12 |
| 12 | 38 | 50 | 75 | - | - | 4 | 30 | - | 52 | 40 | 5.5 | 17 |
| 16 | 37 | 55 | 80 | 105 | - | 4 | 30 | - | 52 | 40 | 5.5 | 16 |
| 20 | 43 | 64 | 89 | 114 | 139 | 5 | 40 | - | 66 | 50 | 6.6 | 16 |
| 25 | 50 | 66 | 91 | 116 | 141 | 5 | 40 | - | 66 | 50 | 6.6 | 22 |
| 32 | 48 | 72 | 97 | 122 | 147 | 5 | 45 | 20 | 80 | 60 | 7 | 18 |
| 40 | 51 | 72 | 97 | 122 | 147 | 5 | 50 | 30 | 100 | 80 | 9 | 20 |
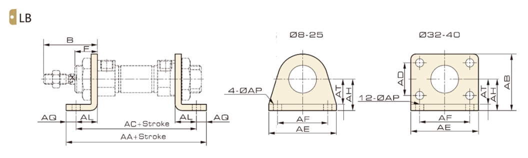
外形寸法図

寸法
|
シンボル |
B |
AA(DN、DSN シリーズ) |
AA (DS/DT シリーズ) |
AB |
AC(DN、DSN シリーズ) |
AC (DS/DT シリーズ) |
AD |
AE |
AF |
AH |
AL |
AP |
AQ |
AT |
F |
||||
|
内径ストローク |
0-50 |
50-100 |
100-150 |
0-50 |
50-100 |
100-150 |
|||||||||||||
|
8 |
28 |
78 |
103 |
- |
- |
- |
68 |
93 |
- |
- |
- |
35 |
25 |
16 |
11 |
4.5 |
5 |
3 |
12 |
|
10 |
28 |
78 |
103 |
- |
- |
- |
68 |
93 |
- |
- |
- |
35 |
25 |
16 |
11 |
4.5 |
5 |
3 |
12 |
|
12 |
38 |
90 |
115 |
- |
- |
- |
78 |
103 |
- |
- |
- |
42 |
32 |
20 |
14 |
5.5 |
6 |
4 |
17 |
|
16 |
37 |
95 |
120 |
145 |
- |
- |
83 |
108 |
133 |
- |
- |
42 |
32 |
20 |
14 |
5.5 |
6 |
4 |
16 |
|
20 |
43 |
114 |
139 |
164 |
189 |
- |
98 |
123 |
148 |
173 |
- |
54 |
40 |
25 |
17 |
6.6 |
8 |
5 |
16 |
|
25 |
50 |
116 |
141 |
166 |
191 |
- |
100 |
125 |
150 |
175 |
- |
54 |
40 |
25 |
17 |
6.6 |
8 |
5 |
22 |
|
32 |
48 |
118 |
143 |
168 |
193 |
49 |
104 |
129 |
154 |
179 |
28 |
66 |
52 |
28 |
16 |
7 |
7 |
5 |
18 |
|
40 |
51 |
132 |
157 |
182 |
207 |
58 |
112 |
137 |
162 |
187 |
30 |
80 |
60 |
33 |
20 |
9 |
10 |
5 |
20 |
外形寸法図

寸法
| シンボル |
D |
Q |
CA |
CB(MAL シリーズ) |
CB(MSAL/MTAL シリーズ) |
CD |
CF |
CH |
CT |
CP |
CQ |
||
|
内径ストローク |
0-50 |
50-100 |
100-150 |
||||||||||
|
8 |
11.3 |
8.1 |
17.3 |
76 |
101 |
- |
- |
20 |
12.5 |
24 |
2.5 |
4.5 |
13.1 |
|
10 |
11.3 |
8.1 |
17.3 |
76 |
101 |
- |
- |
20 |
12.5 |
24 |
2.5 |
4.5 |
13.1 |
|
12 |
13 |
12.1 |
23.3 |
91 |
116 |
- |
- |
25 |
15 |
27 |
3 |
5.5 |
18.1 |
|
16 |
13 |
12.1 |
23.3 |
98 |
123 |
148 |
- |
25 |
15 |
27 |
3 |
5.5 |
18.1 |
|
20 |
16 |
16.1 |
30 |
115 |
140 |
165 |
190 |
32 |
20 |
30 |
4 |
6.5 |
24.1 |
|
25 |
16 |
16.1 |
30 |
126 |
151 |
176 |
201 |
32 |
20 |
30 |
4 |
6.5 |
24.1 |
|
32 |
19.5 |
20.1 |
34.6 |
135 |
160 |
185 |
210 |
41 |
24 |
35 |
4 |
9 |
28.1 |
|
40 |
26 |
20.1 |
36.6 |
138 |
163 |
188 |
213 |
52 |
30 |
40 |
5 |
9 |
30.1 |
外形寸法図

寸法
|
型式 |
NB |
NC |
ND |
NE |
NF |
NG |
NH |
NM |
内径 |
8 |
10 |
12 |
16 |
20 |
25 |
32 |
40 |
|
F-M04070I |
10 |
4 |
16 |
21 |
7 |
6 |
M4x0.7 |
4 |
適合フィッティングフォーム |
√ |
√ |
|
|
|
|
|
|
|
F-M06100I |
12 |
5 |
21 |
28 |
8.5 |
8 |
M6x1 |
6 |
|
|
√ |
√ |
|
|
|
|
|
|
F-M08125I |
16 |
8 |
30 |
40 |
11 |
15 |
M8x1.25 |
8 |
|
|
|
|
√ |
|
|
|
|
|
F-M10125I |
20 |
10 |
40 |
52 |
15 |
18 |
M10x1.25 |
10 |
|
|
|
|
|
√ |
√ |
|
|
|
F-M12125I |
24 |
12 |
48 |
62 |
24 |
18 |
M12x1.25 |
12 |
|
|
|
|
|
|
|
|
|
|
F-M14150I |
28 |
14 |
56 |
72 |
28 |
21 |
M14x1.5 |
14 |
|
|
|
|
|
|
|
√ |
外形寸法図

寸法
|
型式 |
KK |
B |
CE |
CM |
CR |
CW |
D1 |
G |
LE |
|
|
F-M04070CK |
M4X0.7 |
8 |
16 |
4 |
21 |
4 |
8 |
11 |
8 |
DSN8、DSN10 |
|
F-M06100CK |
M6x1 |
12 |
24 |
6 |
31 |
6 |
10 |
16 |
12 |
DSN12、DSN16 |
|
F-M08125CK |
M8x1.25 |
16 |
32 |
8 |
42 |
8 |
14 |
20 |
16 |
DSN20 |
|
F-M10125CK |
M10x1.25 |
20 |
40 |
10 |
52 |
10 |
18 |
25.5 |
20 |
DSN25、 DSN32 |
|
F-M12125CK |
M12x1.25 |
24 |
48 |
12 |
62 |
12 |
20 |
29.5 |
24 |
|
|
F-M14150CK |
M14x1.5 |
27 |
56 |
14 |
72 |
14 |
24 |
29.5 |
28 |
DSN40 |
|
F-M16150CK |
M16x1.5 |
32 |
64 |
16 |
83 |
16 |
26 |
38.5 |
32 |
|
|
F-M20150CK |
M20x1.5 |
40 |
80 |
20 |
105 |
20 |
34 |
47 |
40 |
|