特徴:
1.ピストンロッドの正確な研磨、製品の品質、フロントシールの長寿命を使用して、幅広いアプリケーションを適応させるための改善。
2.最適な生産効率を設計および改善します。
3.エンタープライズカラープランニングと新しい構造設計ステンレス鋼シリーズシリンダーと組み合わせて、半円形の溝のけいれんとして統合されています。
4.シリンダークッション構造の処理技術を変更して、安定化におけるバッファリング機能を確保します。
5.バッファリングの範囲を改善し、顧客がバッファーのスロットリング速度をより簡単に調整できるようにします。
内部構造
部品
| 番号 | 名称 | 番号 | 名称 |
| 1 | ピストンロッド | 9 | バレル |
| 2 | ヘキサゴンナット | 10 | ピストン |
| 3 | シャフトシール | 11 | ピストンシール |
| 4 | ヘキサゴンナット | 12 | 抗摩擦アザラシ |
| 5 | DUベアリング | 13 | 磁石 |
| 6 | フロントカバー | 14 | ソケットヘッドキャップネジ |
| 7 | 衝突防止ガスケット | 15 | クッション |
| 8 | クッション | 16 | バックカバー |
形番表示方法

*センサー型式JEL-01、STRAPTYPE「SKB-BORE"、特定の形番表示方法についてはP173を参照してください。
仕様
|
内径(mm) |
16 |
20 |
25 |
32 |
40 |
|
作動方式 |
複動片ロッド |
||||
|
流体 |
空気 |
||||
|
マウント |
基本的なLB FA FB SDB |
||||
|
動作圧力範囲 |
0.1 〜1.0mpa |
||||
|
証明圧力 |
1.5 MPa |
||||
|
使用温度範囲 |
-20〜80℃ |
||||
|
動作速度範囲 |
50-800mm/s |
||||
|
クッション |
調整可能なエアクッション |
||||
|
接続口径 |
M5x0.8 |
G1/8 " |
|||
ストローク
| 内径 | 標準ストローク | 最大ストローク | |
| マック | 16/20/25/32/40 | 15 20 25 30 40 50 60 75 80 100 125 150 160 175 200 250 275 300 | 500 |
| MACD/MACJ | 16/20/25/32/40 | 15 20 25 30 40 50 60 75 80 100 125 150 160 175 200 250 275 300 | 300 |
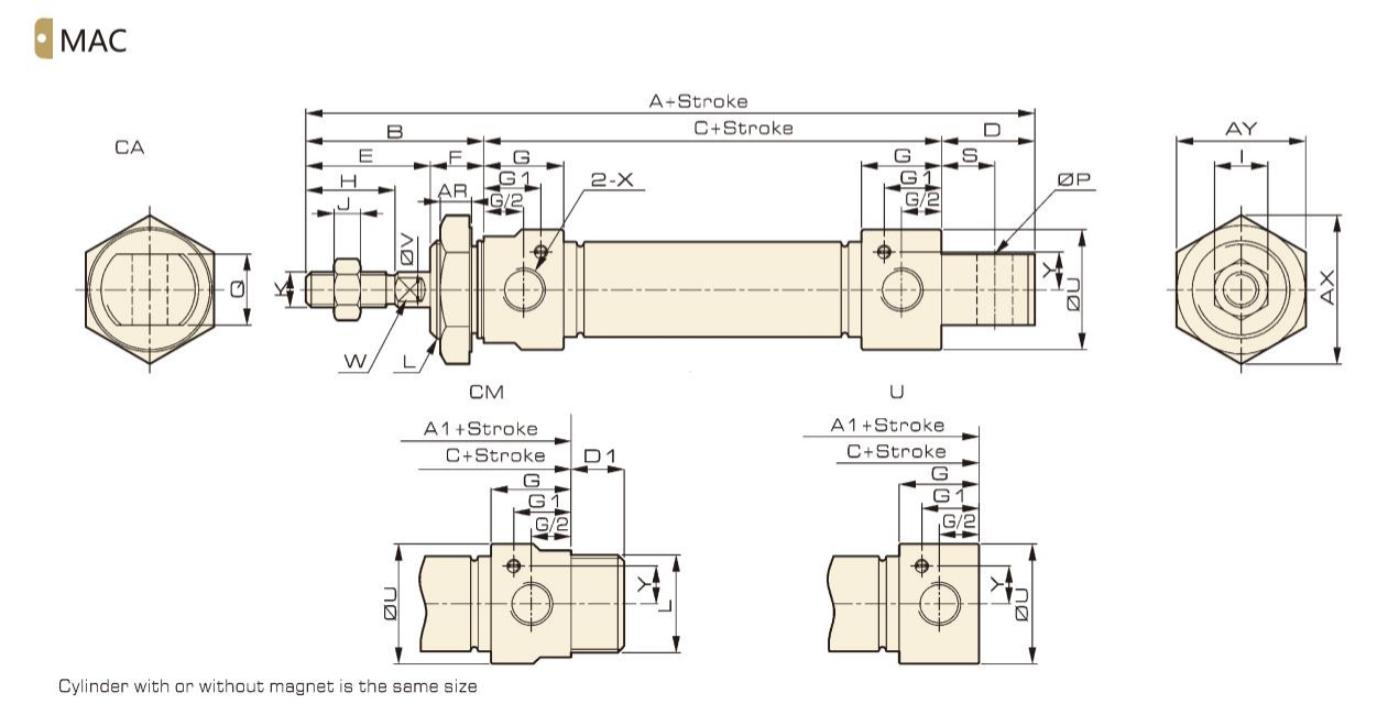
外形寸法図

寸法
|
内径シンボル |
A |
A1 |
B |
C |
D |
D1 |
E |
F |
G |
G1 |
H |
I |
J |
K |
|
16 |
114 |
98 |
38 |
60 |
16 |
12 |
22 |
16 |
12 |
8 |
16 |
10 |
5 |
M6x1 |
|
20 |
137 |
116 |
40 |
76 |
21 |
12 |
28 |
12 |
18 |
13 |
20 |
12 |
6 |
M8x1.25 |
|
25 |
141 |
120 |
44 |
76 |
21 |
14 |
30 |
14 |
16 |
11 |
22 |
17 |
6 |
M10x1.25 |
|
32 |
147 |
120 |
44 |
76 |
27 |
14 |
30 |
14 |
16 |
11.5 |
22 |
17 |
6 |
M10x1.25 |
|
40 |
150 |
123 |
46 |
77 |
27 |
14 |
32 |
14 |
16.7 |
12 |
24 |
19 |
7 |
M12x1.25 |
| 内径シンボル | L | P | Q | S | U | V | W | X | AR | AX | AY | Y | |||||||||||
| 16 | M16×1.5 | 6 | 12 | 9 | 21 | 6 | 5 | M5×0.8 | 6 | 27.8 | 24 | 6 | |||||||||||
| 20 | M22×1.5 | 8 | 16 | 12 | 27 | 8 | 6 | G1/8 | 7 | 33.5 | 29 | 8.5 | |||||||||||
| 25 | M22×1.5 | 8 | 16 | 12 | 30 | 10 | 8 | G1/8 | 7 | 33.5 | 29 | 9.5 | |||||||||||
| 32 | M24×2 | 10 | 16 | 15 | 35 | 12 | 10 | G1/8 | 9 | 37 | 32 | 11.5 | |||||||||||
| 40 | M30×2 | 12 | 20 | 15 | 42 | 16 | 14 | G1/8 | 9 | 46 | 40 | 14 | |||||||||||
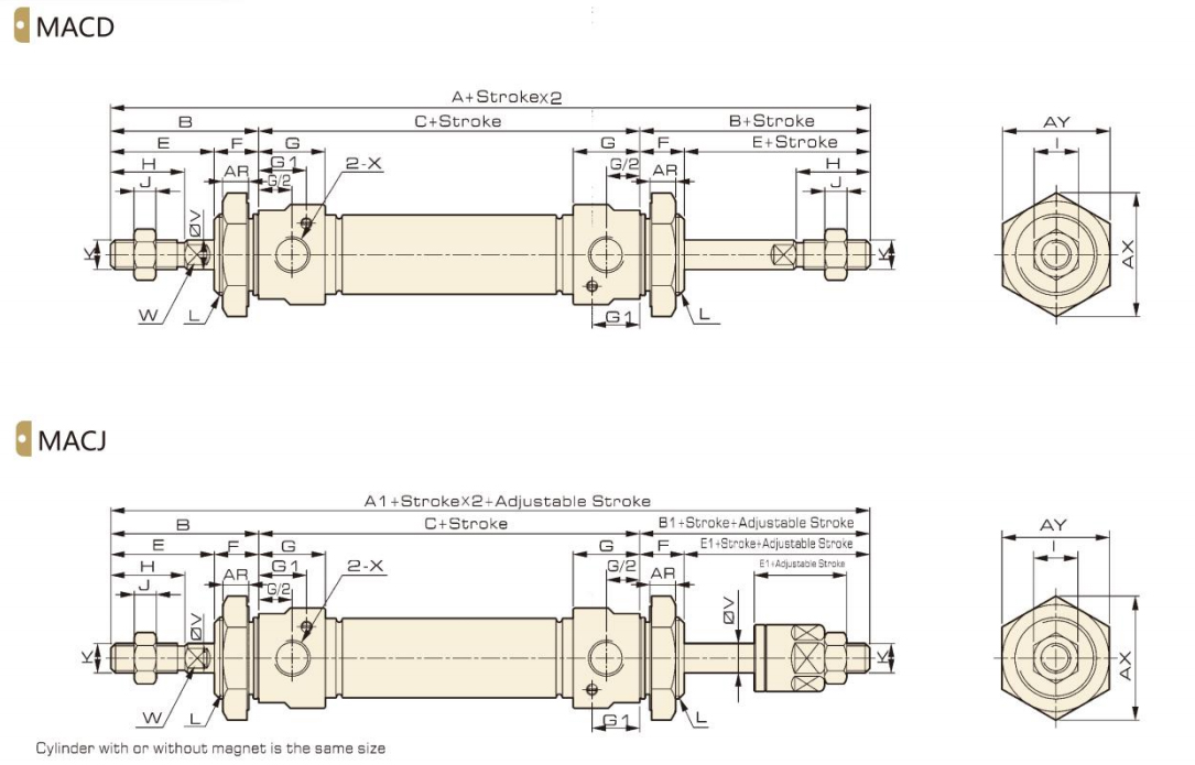
外形寸法図

寸法
| 内径シンボル | A | A1 | B | B1 | C | E | E1 | F | G | G1 | H | I | J | K | L | U | V | W | X | AR | AX | AY | Y |
| 16 | 136 | 135 | 38 | 37 | 60 | 22 | 21 | 16 | 12 | 8 | 16 | 10 | 5 | M6×1 | M16×1.5 | 21 | 6 | 5 | M5×0.8 | 6 | 27.8 | 24 | 6 |
| 20 | 156 | 153 | 40 | 37 | 76 | 28 | 25 | 12 | 18 | 13 | 20 | 12 | 6 | M8×1.25 | M22×1.5 | 27 | 8 | 6 | G1/8 | 7 | 33.5 | 29 | 8.5 |
| 25 | 164 | 161 | 44 | 41 | 76 | 30 | 27 | 14 | 16 | 11 | 22 | 17 | 6 | M10×1.25 | M22×1.5 | 30 | 10 | 8 | G1/8 | 7 | 33.5 | 29 | 9.5 |
| 32 | 164 | 161 | 44 | 41 | 76 | 30 | 27 | 14 | 16 | 11.5 | 22 | 17 | 6 | M10×1.25 | M24×2 | 35 | 12 | 10 | G1/8 | 9 | 37 | 32 | 11.5 |
| 40 | 169 | 166 | 46 | 42 | 77 | 32 | 28 | 14 | 16.7 | 12 | 24 | 19 | 7 | M12×1.25 | M30×2 | 42 | 16 | 14 | G1/8 | 9 | 46 | 40 | 14 |
外形寸法図

寸法
|
シンボル |
B |
C(MA シリーズ) |
C(MSA/MTA シリーズ) |
BB |
BC |
BD |
BE |
BF |
BP |
F |
||
|
内径/ストローク |
0-50 |
50-100 |
100-150 |
|||||||||
|
16 |
38 |
60 |
85 |
110 |
|
3 |
26 |
|
52 |
40 |
5.5 |
16 |
|
20 |
40 |
76 |
101 |
126 |
151 |
4 |
38 |
- |
64 |
50 |
6.5 |
12 |
|
25 |
44 |
76 |
101 |
126 |
151 |
4 |
38 |
- |
64 |
50 |
6.5 |
14 |
|
32 |
44 |
76 |
101 |
126 |
151 |
4 |
47 |
33 |
72 |
58 |
6.5 |
14 |
|
40 |
46 |
77 |
102 |
127 |
152 |
4 |
50 |
36 |
84 |
70 |
6.5 |
14 |
外形寸法図

寸法
|
シンボル |
B |
AA(MA シリーズ) |
AA(MSA/MTA シリーズ) |
AB |
AC (MAL シリーズ) |
AC(MSAL/MTAL シリーズ) |
AE |
AF |
AH |
AL |
AP |
AQ |
AT |
F |
||||
|
内径/ストローク |
0-50 |
50-100 |
100-150 |
0-50 |
50-100 |
100-150 |
||||||||||||
|
16 |
38 |
98 |
123 |
148 |
- |
25 |
86 |
111 |
136 |
- |
44 |
32 |
20 |
13 |
5.5 |
6 |
3 |
16 |
|
20 |
40 |
122 |
147 |
172 |
197 |
25 |
106 |
131 |
156 |
181 |
54 |
40 |
25 |
15 |
6.5 |
8 |
3 |
12 |
|
25 |
44 |
122 |
147 |
172 |
197 |
29 |
106 |
131 |
156 |
181 |
54 |
40 |
25 |
15 |
6.5 |
8 |
3 |
14 |
|
32 |
44 |
142 |
167 |
192 |
217 |
19 |
126 |
151 |
176 |
201 |
59 |
45 |
32 |
25 |
6.5 |
8 |
4 |
14 |
|
40 |
46 |
143 |
168 |
193 |
218 |
21 |
127 |
152 |
177 |
202 |
64 |
50 |
36 |
25 |
6.5 |
8 |
4 |
14 |
外形寸法図

寸法
|
シンボル |
D |
S |
Q |
CA |
CB(MA シリーズ) |
CB (MSA/MTA シリーズ) |
CD |
CE |
CF |
CH |
CT |
CP |
CQ |
||
|
内径/ストローク |
0-50 |
50-100 |
100-150 |
||||||||||||
|
16 |
16 |
9 |
12 |
- |
107 |
132 |
157 |
- |
23 |
- |
12 |
20 |
2 |
5.5 |
16 |
|
20 |
21 |
12 |
16 |
51 |
128 |
153 |
178 |
203 |
48 |
67 |
32 |
32 |
3 |
6.5 |
22 |
|
25 |
21 |
12 |
16 |
51 |
132 |
157 |
182 |
207 |
48 |
67 |
32 |
32 |
3 |
6.5 |
22 |
|
32 |
27 |
15 |
16 |
51 |
135 |
160 |
185 |
210 |
52 |
67 |
36 |
36 |
4 |
6.5 |
24 |
|
40 |
27 |
15 |
20 |
55 |
138 |
163 |
188 |
213 |
56 |
71 |
40 |
40 |
4 |
6.5 |
28 |
外形寸法図

寸法
|
型式 |
NB |
NC |
ND |
NE |
NF |
NG |
NH |
NM |
内径 |
16 |
20 |
25 |
32 |
40 |
|
F-M04070I |
10 |
4 |
16 |
21 |
7 |
6 |
M4x0.7 |
4 |
適合フィッティングフォーム |
|
|
|
|
|
|
F-M06100I |
12 |
5 |
21 |
28 |
8.5 |
8 |
M6x1 |
6 |
√ |
|
|
|
|
|
|
F-M08125I |
16 |
8 |
30 |
40 |
11 |
15 |
M8x1.25 |
8 |
|
√ |
|
|
|
|
|
F-M10125I |
20 |
10 |
40 |
50 |
15 |
18 |
M10x1.25 |
10 |
|
|
√ |
√ |
|
|
|
F-M12125I |
24 |
12 |
48 |
62 |
24 |
18 |
M12x1.25 |
12 |
|
|
|
|
√ |