内部構造
部品
| 番号 | 名称 | 番号 | 名称 |
| 1 | ピストンロッド | 9 | バレル |
| 2 | ヘキサゴンナット | 10 | oリング |
| 3 | シャフトシール | 11 | ピストンシール |
| 4 | ヘキサゴンナット | 12 | 抗摩擦アザラシ |
| 5 | DUベアリング | 13 | 磁石 |
| 6 | フロントカバー | 14 | ピストン |
| 7 | oリング | 15 | ソケットヘッドキャップネジ |
| 8 | 衝突防止ガスケット | 16 | バックカバー |
形番表示方法

*センサー型式JEL-01、STRAPTYPE「SKL-BORE"、特定の形番表示方法についてはP173を参照してください。
仕様
|
内径(mm) |
16 |
20 |
25 |
32 |
40 |
|
作動方式 |
複動片ロッドまたは単動 |
||||
|
流体 |
空気 |
||||
|
マウント |
基本的なLB FA FB SDB |
||||
|
動作圧力範囲 |
0.1 〜1.0mpa |
||||
|
証明圧力 |
1.5 MPa |
||||
|
使用温度範囲 |
-20〜80℃ |
||||
|
動作速度範囲 |
50-800mm/s |
||||
|
クッション |
ガスケットクッション |
||||
|
接続口径 |
M5x0.8 |
G1/8 " |
G1/4" |
||
ストローク
| 内径 | 標準ストローク | 最大ストローク | |
| MAL/MALC | 16/20/25/32/40 | 15 20 25 30 40 50 60 75 80 100 125 150 160 175 200 250 275 300 | 500 |
| MALD/MALJ MALCD/MALCJ |
16/20/25/32/40 | 15 20 25 30 40 50 60 75 80 100 125 150 160 175 200 250 275 300 | 300 |
| MSAL/MTAL | 16 | 15 20 25 30 40 50 60 75 80 100 | 100 |
| 20/25/32/40 | 15 20 25 30 40 50 60 75 80 100 125 150 | 150 | |
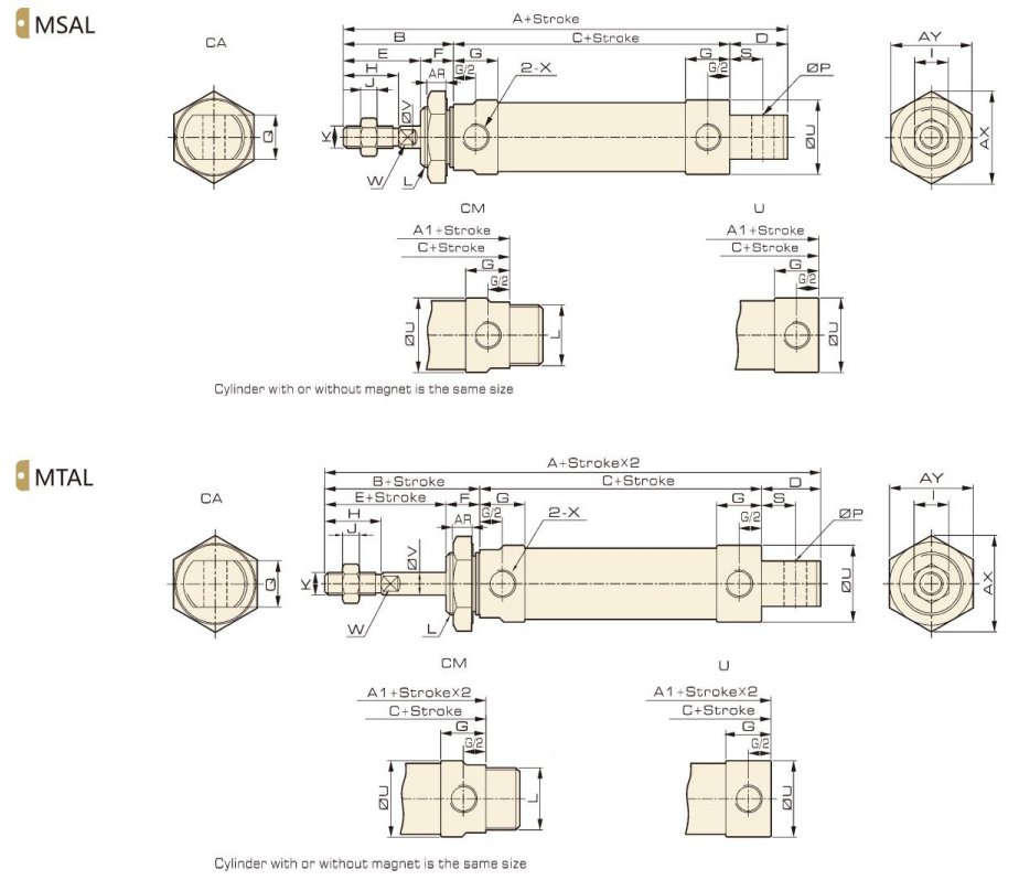
外形寸法図

寸法
| 内径シンボル | A | A1 | B | C | D | D1 | E | F | G | G1 | H | I | J | K | ||||||||||
| 16 | 105 | 90 | 38 | 52 | 15 | 12 | 24 | 14 | 11 | 6.5 | 16 | 10 | 5 | M6×1 | ||||||||||
| 20 | 131 | 110 | 40 | 70 | 21 | 12 | 28 | 12 | 16 | 12 | 20 | 12 | 6 | M8×1.25 | ||||||||||
| 25 | 135 | 114 | 44 | 70 | 21 | 14 | 30 | 14 | 16 | 11 | 22 | 17 | 6 | M10×1.25 | ||||||||||
| 32 | 141 | 114 | 44 | 70 | 27 | 14 | 30 | 14 | 16 | 11.5 | 22 | 17 | 6 | M10×1.25 | ||||||||||
| 40 | 165 | 138 | 46 | 92 | 27 | 14 | 32 | 14 | 22 | 15 | 24 | 19 | 7 | M12×1.25 | ||||||||||
| 内径シンボル | L | P | Q | S | U | V | W | X | AR | AX | AY | Y | ||||||||||||
| 16 | M16×1.5 | 6 | 12 | 6 | 21 | 6 | 5 | M5×0.8 | 6 | 27.8 | 24 | 6 | ||||||||||||
| 20 | M22×1.5 | 8 | 16 | 12 | 27 | 8 | 6 | G1/8 | 7 | 33.5 | 29 | 9 | ||||||||||||
| 25 | M22×1.5 | 8 | 16 | 12 | 32 | 10 | 8 | G1/8 | 7 | 33.5 | 29 | 9 | ||||||||||||
| 32 | M24×2 | 10 | 16 | 15 | 39.5 | 12 | 10 | G1/8 | 9 | 37 | 32 | 11.5 | ||||||||||||
| 40 | M30×2 | 12 | 20 | 15 | 47 | 16 | 14 | G1/4 | 9 | 46 | 40 | 14 | ||||||||||||
外形寸法図

寸法
| シンボル | A | A1 | B | C | D | D1 | E | F | G | ||||||||||||||
| 内径/ストローク | 0-50 | 50-100 | 100-150 | 0-50 | 50-100 | 100-150 | 0-50 | 50-100 | 100-150 | ||||||||||||||
| 16 | 130 | 155 | - | 115 | 140 | - | 38 | 77 | 102 | - | 15 | 12 | 24 | 14 | 11 | ||||||||
| 20 | 156 | 181 | 206 | 135 | 160 | 185 | 40 | 95 | 120 | 145 | 21 | 12 | 28 | 12 | 16 | ||||||||
| 25 | 160 | 185 | 210 | 139 | 164 | 189 | 44 | 95 | 120 | 145 | 21 | 14 | 30 | 14 | 16 | ||||||||
| 32 | 166 | 191 | 216 | 139 | 164 | 189 | 44 | 95 | 120 | 145 | 27 | 14 | 30 | 14 | 16 | ||||||||
| 40 | 190 | 215 | 240 | 163 | 188 | 213 | 46 | 117 | 142 | 167 | 27 | 14 | 32 | 14 | 22 | ||||||||
| 内径/シンボル | H | I | J | K | L | P | Q | S | U | V | W | X | AR | AX | AY | ||||||||
| 16 | 16 | 10 | 5 | M6×1 | M16×1.5 | 6 | 12 | 6 | 21 | 6 | 5 | M5×0.8 | 6 | 27.8 | 24 | ||||||||
| 20 | 20 | 12 | 6 | M8×1.25 | M22×1.5 | 8 | 16 | 12 | 27 | 8 | 6 | G1/8 | 7 | 33.5 | 29 | ||||||||
| 25 | 22 | 17 | 6 | M10×1.25 | M22×1.5 | 8 | 16 | 12 | 32 | 10 | 8 | G1/8 | 7 | 33.5 | 29 | ||||||||
| 32 | 22 | 17 | 6 | M10×1.25 | M24×2 | 10 | 16 | 15 | 39.5 | 12 | 10 | G1/8 | 9 | 37 | 32 | ||||||||
| 40 | 24 | 19 | 7 | M12×1.25 | M30×2 | 12 | 20 | 15 | 47 | 16 | 14 | G1/4 | 9 | 46 | 40 | ||||||||
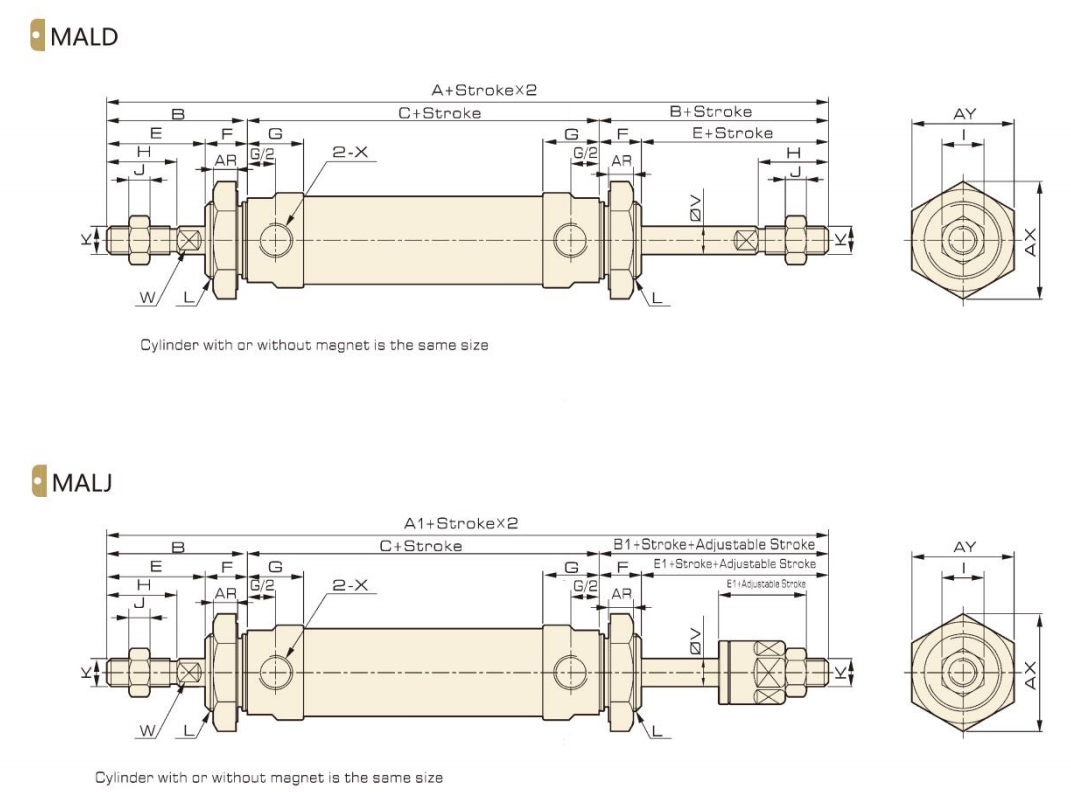
外形寸法図

寸法
|
内径シンボル |
A |
A1 |
B |
B1 |
C |
E |
E1 |
F |
G |
G1 |
H |
I |
J |
K |
L |
U |
V |
W |
X |
AR |
AX |
AY |
Y |
|
16 |
128 |
125 |
38 |
35 |
52 |
24 |
21 |
14 |
11 |
6.5 |
16 |
10 |
5 |
M6x1 |
M16xl.5 |
21 |
6 |
5 |
M5x0.8 |
6 |
27.8 |
24 |
6 |
|
20 |
150 |
147 |
40 |
37 |
70 |
28 |
25 |
12 |
16 |
12 |
20 |
12 |
6 |
M8x1.25 |
M22xl.5 |
27 |
8 |
6 |
G1/8 |
7 |
33.5 |
29 |
9 |
|
25 |
158 |
155 |
44 |
41 |
70 |
30 |
27 |
14 |
16 |
11 |
22 |
17 |
6 |
M10x1.25 |
M22xl.5 |
32 |
10 |
8 |
G1/8 |
7 |
33.5 |
29 |
9 |
|
32 |
158 |
155 |
44 |
41 |
70 |
30 |
27 |
14 |
16 |
11.5 |
22 |
17 |
6 |
M10x1.25 |
M24x2 |
39.5 |
12 |
10 |
G1/8 |
9 |
37 |
32 |
11.5 |
|
40 |
184 |
180 |
46 |
42 |
92 |
32 |
28 |
14 |
22 |
15 |
24 |
19 |
7 |
M12x1.25 |
M30x2 |
47 |
16 |
14 |
G1/4 |
9 |
46 |
40 |
14 |