仕様
| 内径サイズ | 12 | 16 | 20 | 25 | 32 | 40 | 50 | 63 | 80 |
| 作動方式 | 複動片ロッド | ||||||||
| 流体 | 空気 | ||||||||
| 証明圧力 | 1.5mPA | ||||||||
| 最高使用空気圧 | 1.0mpa | ||||||||
| 分動作圧力 | 0.12MPa | 0.1MPa | |||||||
| 周囲温度 | |||||||||
| ピストン速度 | 50〜500mm/s | 50〜400mm/s | |||||||
| クッシング | 両端のゴムクッション | ||||||||
| 潤滑 | 必要なし | ||||||||
| ストロークの長さの耐性 |
1.5 0 mm |
||||||||
シリンダーの理論的には、「標準ストローク"出力シートを参照してください
| 内径サイズ(mm) | ピストンロッドサイズ(mm) | 動作方向 | ピストンエリア(mm²) | 空気圧(MPA) | ||||||
| 0.1 | 0.2 | 0.3 | 0.4 | 0.5 | 0.6 | |||||
| 12 | 6 | 複動片ロッド | 外 | 113.0 | 11.3 | 22.6 | 33.9 | 45.2 | 56.5 | 67.8 |
| で | 84.8 | 8.5 | 17.0 | 25.4 | 33.9 | 42.4 | 50.9 | |||
| 16 | 8 | 複動片ロッド | 外 | 201.0 | 20.1 | 40.2 | 60.3 | 80.4 | 100.5 | 120.6 |
| で | 150.7 | 15.1 | 30.1 | 45.2 | 60.3 | 75.4 | 90.4 | |||
| 20 | 10 | 複動片ロッド | 外 | 314.0 | 31.4 | 62.8 | 94.2 | 125.6 | 157.0 | 188.4 |
| で | 235.5 | 23.6 | 47.1 | 70.7 | 94.2 | 117.8 | 141.3 | |||
| 25 | 12 | 複動片ロッド | 外 | 490.6 | 49.1 | 98.1 | 147.2 | 196.3 | 245.3 | 294.4 |
| で | 377.6 | 37.8 | 75.5 | 113.3 | 151.0 | 188.8 | 226.6 | |||
| 32 | 16 | 複動片ロッド | 外 | 803.8 | 80.4 | 160.8 | 241.2 | 321.5 | 401.9 | 482.3 |
| で | 602.9 | 60.3 | 120.6 | 180.9 | 241.2 | 301.4 | 361.7 | |||
| 40 | 16 | 複動片ロッド | 外 | 1256.0 | 125.6 | 251.2 | 376.8 | 502.4 | 628.0 | 753.6 |
| で | 1055.0 | 105.5 | 211.0 | 613.5 | 422.0 | 527.5 | 633.0 | |||
| 50 | 20 | 複動片ロッド | 外 | 1962.5 | 196.3 | 392.5 | 588.8 | 785.0 | 981.3 | 1177.5 |
| で | 1648.5 | 164.9 | 329.7 | 494.6 | 659.4 | 824.3 | 989.1 | |||
| 63 | 20 | 複動片ロッド | 外 | 3115.7 | 311.6 | 623.1 | 934.7 | 1246.3 | 1557.8 | 1869.4 |
| で | 2801.7 | 280.2 | 560.3 | 840.5 | 1120.7 | 1400.8 | 1681.0 | |||
| 80 | 25 | 複動片ロッド | 外 | 5024.0 | 502.4 | 1004.8 | 1507.2 | 2009.6 | 2512.0 | 3014.4 |
| で | 4533.4 | 453.3 | 906.7 | 1360.0 | 1360.0 | 2266.7 | 2720.0 | |||
形番表示方法

ストローク
|
① |
bearingベアリングタイプ |
内径サイズ |
⑤ストローク |
||||
|
コンパクトガイドシリンダー |
M |
スライドベアリング |
12 |
12mm |
40 |
40mm |
「標準ストローク "を参照してください |
|
16 |
16mm |
50 |
50mm |
||||
|
l |
線形ベアリング |
20 |
20mm |
63 |
63mm |
||
|
25 |
25mm |
80 |
80mm |
||||
|
32 |
32mm |
||||||
[注]センサー特定の順序付けコードについては、P173を参照してください。
ストローク/センサー
| 内径サイズ(mm) | 標準ストローク | センサー |
| 12,16 | 10,20,30,40,50,75,100,125,150,175,200,250 | JEL-07R JEL-07D |
| 20,25 | 20,30,40,50,75,100,125,150,175,200,250,300,350,400 | |
| 32〜80 | 25,50,75,100,125,150,175,200,250,300,350,400 |
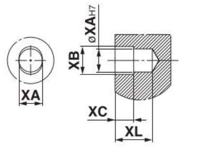
外形寸法図

xxの寸法
t字型スロットの寸法
| 内径サイズ | A | B | C | D | E |
| 12 | 4.4 | 7.4 | 3.7 | 2 | 6.2 |
| 16 | 4.4 | 7.4 | 3.7 | 2.5 | 6.7 |
| 20 | 5.4 | 8.4 | 4.5 | 2.8 | 7.8 |
| 25 | 5.4 | 8.4 | 4.5 | 3 | 8.2 |
JGPM、JGPL共通寸法
| 内径サイズ(mm) | 標準ストローク(mm) | B | V | DA | FA | FB | G | GA | GB | H | HA | J | K | L | MM | ML | NN | OA | OB | OL | P | PA |
| 12 | 10,20,30,40,50,75,100,125,150,175,200,250 | 42 | 29 | 6 | 7 | 6 | 26 | 10 | 7 | 58 | M4 | 13 | 13 | 18 | M4×0.7 | 10 | M4×0.7 | 4.3 | 8 | 4.5 | M5×0.8 | 13 |
| 16 | 46 | 33 | 8 | 7 | 6 | 30 | 10.5 | 7.5 | 64 | M4 | 15 | 13 | 22 | M5×0.8 | 12 | M5×0.8 | 4.3 | 8 | 4.5 | M5×0.8 | 14.5 | |
| 20 | 20,30,40,50,75,100,125,150,175,200,250,300,350,400 | 53 | 37 | 10 | 8 | 8 | 36 | 11.5 | 9 | 83 | M5 | 18 | 18 | 24 | M5×0.8 | 13 | M5×0.8 | 5.4 | 9.5 | 5.5 | rc1/8 | 13.5 |
| 25 | 53.5 | 37.5 | 12 | 9 | 7 | 42 | 11.5 | 10 | 93 | M5 | 21 | 21 | 30 | m6×1.0 | 15 | m6×1.0 | 5.4 | 9.5 | 5.5 | rc1/8 | 12.5 |
| 内径サイズ(mm) | PB | PW | Q | R | S | T | U | VA | VB | WA | WB | X | XA | XB | YY | YL | Z | ||||||||
| 30歳未満 | 100以下の30歳以上 | 200歳未満の100以上 | 200番目以上300番目 | 300以上 | 30歳未満 | 100年代以下の30歳以上 | 200番目に100人以上 | 200番目以上300番目 | 300以上 | ||||||||||||||||
| 12 | 8 | 18 | 14 | 48 | 22 | 56 | 41 | 50 | 37 | 20 | 40 | 110 | 200 | - | 15 | 25 | 60 | 105 | - | 23 | 3 | 3.5 | M5×0.8 | 10 | 5 |
| 16 | 10 | 19 | 16 | 54 | 25 | 62 | 46 | 56 | 38 | 24 | 44 | 110 | 200 | - | 17 | 27 | 60 | 105 | - | 24 | 3 | 3.5 | M5×0.8 | 10 | 5 |
| 20 | 10.5 | 25 | 18 | 70 | 30 | 81 | 54 | 72 | 44 | 24 | 44 | 120 | 200 | 300 | 29 | 39 | 77 | 117 | 167 | 28 | 3 | 3.5 | M6×1.0 | 12 | 17 |
| 25 | 13.5 | 30 | 26 | 78 | 38 | 91 | 64 | 82 | 50 | 24 | 44 | 120 | 200 | 300 | 29 | 39 | 77 | 117 | 167 | 34 | 4 | 4.5 | M6×1.0 | 12 | 17 |
JGPM(スライドベアリング) /A、DB、e寸法
| 内径サイズmm | A | DB | E | ||||||
| 50歳未満 | 100番目に50歳以上 | 200番目以上の100番目 | 200以上 | 50歳未満 | 100番目に50歳以上 | 200番目以上の100番目 | 200以上 | ||
| 12 | 42 | 60.5 | 82.5 | 82.5 | 8 | 0 | 18.5 | 40.5 | 40.5 |
| 16 | 46 | 64.5 | 92.5 | 92.5 | 10 | 0 | 18.5 | 46.5 | 46.5 |
| 20 | 53 | 77.5 | 77.5 | 110 | 12 | 0 | 24.5 | 24.5 | 57 |
| 25 | 53.5 | 77.5 | 77.5 | 109.5 | 16 | 0 | 24 | 24 | 56 |
JGPl(ボールベアリング) /A、DB、e寸法
| 内径サイズ(mm) | A | DB | E | ||||||
| 50歳未満 | 100番目に50歳以上 | 200番目以上の100番目 | 2005t以上 | 50歳未満 | 100番目に50歳以上 | 200番目を超えて100番目 | 200以上 | ||
| 12 | 43 | 55 | 84.5 | 84.5 | 6 | 1 | 13 | 42.5 | 42.5 |
| 16 | 49 | 65 | 94.5 | 94.5 | 8 | 3 | 19 | 48.5 | 48.5 |
| 20 | 59 | 76 | 100 | 117.5 | 10 | 6 | 23 | 47 | 64.5 |
| 25 | 65.5 | 81.5 | 100.5 | 117.5 | 13 | 12 | 28 | 47 | 64 |
外形寸法図
xxの寸法
t字型スロットの寸法

| 内径サイズ | A | B | C | D | E |
| 12 | 6.4 | 10.5 | 5.5 | 3.5 | 9.5 |
| 16 | 6.4 | 10.5 | 5.5 | 4 | 11 |
| 20 | 8.4 | 13.5 | 7.5 | 4.5 | 13.5 |
| 25 | 11 | 17.8 | 10 | 7 | 18.5 |
JGPM、JGPL共通寸法
| 内径サイズ(mm) | 標準ストローク(mm) | B | C | DA | FA | FB | G | GA | GB | H | HA | J | K | L | MM | ML | NN | OA | OB | OL | P | PA |
| 32 | 25,50,75,100,125,150,175,200,250,300,350,400 | 59.5 | 37.5 | 16 | 10 | 12 | 48 | 12 | 9 | 112 | M6 | 24 | 24 | 34 | M8×1.25 | 20 | M8×1.25 | 6.7 | 11 | 7.5 | RC1/8 | 6.5 |
| 40 | 66 | 44 | 16 | 10 | 12 | 54 | 15 | 12 | 120 | M6 | 27 | 27 | 40 | M8×1.25 | 20 | M8×1.25 | 6.7 | 11 | 7.5 | Rc1/8 | 13 | |
| 50 | 72 | 44 | 20 | 12 | 16 | 64 | 15 | 12 | 148 | M8 | 32 | 32 | 46 | M10×1.5 | 22 | M10×1.5 | 8.6 | 14 | 9 | RC1/4 | 9 | |
| 63 | 77 | 49 | 20 | 12 | 16 | 78 | 15.5 | 13.5 | 162 | M10 | 39 | 39 | 58 | M10×1.5 | 22 | M10×1.5 | 8.6 | - | 9 | RC1/4 | 13 |
| 内径サイズ(mm) | PB | PW | Q | R | S | T | U | VA | VB | WA | WB | X | XA | XB | YY | YL | Z | ||||||||
| 25日以下 | 1005T未満25番目 | 200番目以上の100番目 | 200番目以上300番目 | 300以上 | 25日以下 | 100番目に25番目に | 200番目以上の100番目 | 200番目以上300番目 | 300以上 | ||||||||||||||||
| 32 | 16 | 35.5 | 30 | 96 | 44 | 110 | 78 | 98 | 63 | 24 | 48 | 124 | 200 | 300 | 33 | 83 | 83 | 121 | 171 | 42 | 4 | 4.5 | M8×1.25 | 16 | 21 |
| 40 | 18 | 39.5 | 30 | 104 | 44 | 118 | 86 | 106 | 72 | 24 | 48 | 124 | 200 | 300 | 34 | 84 | 84 | 122 | 172 | 50 | 4 | 4.5 | M8×1.25 | 16 | 22 |
| 50 | 21.5 | 47 | 40 | 130 | 60 | 146 | 110 | 130 | 92 | 24 | 48 | 124 | 200 | 300 | 36 | 86 | 86 | 124 | 174 | 66 | 5 | 6 | M10×1.5 | 20 | 24 |
| 63 | 28 | 58 | 50 | 130 | 70 | 158 | 124 | 142 | 110 | 28 | 52 | 128 | 200 | 300 | 38 | 88 | 88 | 124 | 174 | 80 | 5 | 6 | M10×1.5 | 20 | 24 |
JGPM(スライドベアリング) /A、DB、E寸法
| 内径サイズ(mm) | A | DB | E | ||||
| 50歳未満 | 200番目に50歳以上 | 200以上 | 50歳未満 | 200番目に50歳以上 | 200以上 | ||
| 32 | 75 | 93.5 | 129.5 | 20 | 15.5 | 34 | 70 |
| 40 | 75 | 93.5 | 129.5 | 20 | 9 | 27.5 | 63.5 |
| 50 | 88.5 | 109.5 | 150.5 | 25 | 16.5 | 37.5 | 78.5 |
| 63 | 88.5 | 109.5 | 150.5 | 25 | 11.5 | 32.5 | 73.5 |
JGPL(ボールベアリング) /A、DB、E寸法
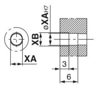
| 内径サイズ(mm) | XC | XL |
| 32 | 3 | 6 |
| 40 | 3 | 6 |
| 50 | 4 | 8 |
| 63 | 4 | 8 |
外形寸法図
xxの寸法
T字型スロットの寸法
| 内径サイズ | A | B | C | D | E |
| 80 | 13.3 | 20.3 | 12 | 8 | 22.5 |
JGPM、JGPL共通寸法
| 内径サイズ(mm) | 標準ストローク(mm) | B | C | DA | FA | FB | G | GA | GB | GC | H | HA | J | JA | JB | JC | K | L | MM | ML | NN | OA | OB |
| 80 | 25,50,75,100,125,150,175,200,250,300,350,400 | 96.5 | 56.5 | 25 | 16 | 24 | 91.5 | 19 | 16.5 | 14.5 | 202 | M12 | 45.5 | 38 | 7.5 | 15 | 46 | 54 | M12×1.75 | 25 | M12×1.75 | 10.6 | 17.5 |
|
内径サイズ |
PB |
PW |
Q |
R |
S |
T |
U |
VA |
VB |
OL |
P |
PA |
WA |
WB |
X |
YL |
Z |
YY |
||||||||
|
30歳未満 |
100以下の30歳以上 |
200番目以上の100番目 |
200番目以上300番目 |
300以上 |
30歳未満 |
100以下の30歳以上 |
200番目以上の100番目 |
200番目以上300番目 |
300以上 |
|||||||||||||||||
|
80 |
25.5 |
74 |
52 |
174 |
75 |
198 |
156 |
180 |
140 |
3 |
RC3/8 |
14.5 |
28 |
52 |
128 |
200 |
300 |
42 |
54 |
92 |
128 |
178 |
100 |
24 |
28 |
M12x1.75 |
JGPM(スライドベアリング) /A、DB、E寸法
| 内径サイズ | A | DB | E | ||||
| 50歳未満 | 200番目に50歳以上 | 200以上 | 50歳未満 | 200番目に50歳以上 | 200st以上の | ||
| 80 | 104.5 | 131.5 | 180.5 | 30 | 8 | 35 | 84 |